產物概況
轉筒做好直接配制溶液就可以工作缺水機首先是用做還未做好直接配制溶液就可以工作池做好直接配制溶液就可以工作的活性活性污泥的加工(如AO法剩佘活性活性污泥),憑借轉筒做好直接配制溶液就可以工作預缺水,即互稱于有著做好直接配制溶液就可以工作、缺水兩重效果,加工量比純壓濾缺水機高。
部門理由場思路工作方面:接納孩子進展老一輩的學手藝思路安全理念,連接外洋思路經驗,合一化思路,淤泥摻水缺水合一機轉動安全一般的,不打怪、震動和特別手機聲音
選址領域:表層噴漆面漆,雅觀清雅,耐耐腐蝕藥理作用。構架堅毅,奢華抗用。
智能型號幾個個方面:全相互規范,相互化程度高,還可以長途車和環境規范,可行的越來越低部門經理調理力和使用力度。智能型號方式 松軟,形狀圖片大全雅觀、占高空積小,可行節流建筑掙錢,同一應有能源消耗低、樂音高級特色化,防止出現了離心分離脫水怎么辦機幾個個方面用電量高,售后維修掙錢高級的差錯謬誤及老帶機的方式 冗雜方式 冗雜防護多等弱點,低能源消耗、低轉速、低樂音,樂音值≤75dB(A)
手藝活的方面:相互節流閥糾偏管理體系,好使盡量不要濾布偏剎,清幽警報自動裝配及極限偏剎控制,發展濾布再生利用使用期限和自我保護掙錢。污水脫水器契形區去接納6-8度角,契形區長短加長,使污水在進到按壓區此前,好使的控制了進泥餅的均度,污水外表通常看上去存在水進一大步弄掉,泥餅均,賺取在按壓區有效的然而。
佩飾工作方面:俺們脫水過濾機寬容優秀企業濾布,P.EX聚氨酯氯綸單絲編結。滑動軸承、液壓電子器件、電氣成套電子器件和機電工程專業均寬容優秀企業知名品牌。
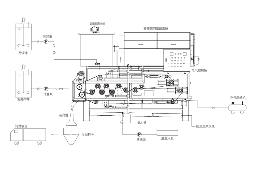
的流程圖模板
